Menu

Діодний міст генератора БВ21-150-14В

Діодний міст генератора БВ21-150-14В
Діодний міст генератора БВ21-150-14В
Діодний міст генератора БВ21-150-14В
Діодний міст генератора БВ21-150-14В
Діодний міст генератора БВ21-150-14В
Діодний міст генератора БВ21-150-14В
Діодний міст генератора БВ21-150-14В
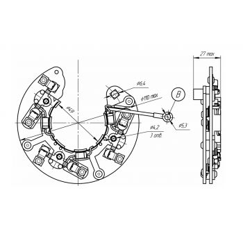
Діодний міст генератора БВ21-150-14В Загальні відомості: Блок випрямний БВ21-150-14В призначений для випрямлення трифазного змінного струму в системі електрообладнання автомобілів у складі генераторної установки. Застосування: трактори з генераторами 46.3701, 464.3701 або аналогічними. БВ випускається у кліматичному виконанні О2.1 за ГОСТ 15150 для внутрішнього ринку та на експорт. Робочий режим блоку – S1 за ДСТУ ГОСТ 3940. Блок випрямний встановлюється безпосередньо на генераторі, де передбачена установка блоків БПВ56-65-02В, ЖГИК.435111.003 або БВ21-150-14В, за допомогою штатних кріпильних елементів. Гарантійний термін експлуатації – 3 роки з дати введення в експлуатацію або з дня продажу в роздрібній торговій мережі. Гарантійні зобов'язання виробника чинні протягом чотирьох років з дати випуску виробів. Дата виготовлення нанесена на корпусах виробів. Технічні дані: Номінальна напруга 14 В Максимальний випрямлений струм не менше 85 А Падіння напруги на силових діодах при t°=(25 ± 10)°С та Iпр=70 А 1 В Кількість діодів силового випрямляча 6 шт. Кількість діодів додаткового випрямляча 3 шт. Спосіб приєднання обмоток статора генератора клема Схема блоку випрямного: Габаритне креслення:

Написать отзыв

Внимание: HTML не поддерживается! Используйте обычный текст!
Плохо Хорошо

AvtoRem.com.ua - поиск автозапчастей. АвтоРем. 0500528138 КУПИТЬ

АвтоРем. Оптовые склады автозапчастей в Украине. Доставка в любой город Украины и оптовые склады в области. Гибкая система скидок для оптовых покупателей. Отсрочки платежа для постоянных клиентов. Участие в тендерах и отгрузка на экспорт. AvtoRem.com.ua. Всегда в наличии и по прямым поставкам с заводов: Запчасти КАМАЗ, МАЗ, УРАЛ, КРАЗ, легковые ВАЗ, УАЗ, ГАЗ и др. Тракторные запчасти МТЗ, ЧЕТРА, АМЗ, ХТЗ и для спецтехники. Тракторы МТЗ, коммунальная техника и навесное оборудование. Агрегаты и двигатели ЯМЗ, ММЗ, ТМЗ, КАМАЗ, ЗМЗ, УМЗ, ВАЗ. Запчасти для иномарок: KIA, DAEWOO, CHEVROLET, MAZDA, и др. Расходные материалы для специальной техники JCB, Caterpillar, Bobcat. Запасные части для грузовиков Man, Scania, Mercedes, Iveco, Volvo, DAF. Автоаксессуары, инструмент, аккумуляторы, шины, диски, автохимия. Авдеевка Донецкая область Александрия Кировоградская область Александровск Луганская область Алёшки Херсонская область Алмазная Луганская область Алчевск Луганская область Амвросиевка Донецкая область Ананьев Одесская область Андрушёвка Житомирская область Антрацит Луганская область Апостолово Днепропетровская область Артёмовск (Кипучее) Луганская область Арциз Одесская область Ахтырка Сумская область Балаклея Харьковская область Балта Одесская область Бар Винницкая область Барановка Житомирская область Барвенково Харьковская область Батурин Черниговская область Бахмач Черниговская область Бахмут Донецкая область Баштанка Николаевская область Белая Церковь Киевская область Белгород-Днестровский Одесская область Белз Львовская область Белицкое Донецкая область Белозёрское Донецкая область Белополье Сумская область Беляевка Одесская область Бердичев Житомирская область Бердянск Запорожская область Берегово Закарпатская область Бережаны Тернопольская область Березань Киевская область Березно Ровненская область Березо́вка Одесская область Берестечко Волынская область Берислав Херсонская область Бершадь Винницкая область Бобринец Кировоградская область Бобрка Львовская область Бобровица Черниговская область Богодухов Харьковская область Богуслав Киевская область Болград Одесская область Болехов Ивано-Франковская область Борзна Черниговская область Борислав Львовская область Борисполь Киевская область Борщёв Тернопольская область Боярка Киевская область Бровары Киевская область Броды Львовская область Брянка Луганская область Бурштын Ивано-Франковская область Бурынь Сумская область Буск Львовская область Буча Киевская область Бучач Тернопольская область Валки Харьковская область Вараш (Кузнецовск) Ровненская область Васильевка Запорожская область Васильков Киевская область Ватутино Черкасская область Вахрушево Луганская область Вашковцы Черновицкая область Великие Мосты Львовская область Верхнеднепровск Днепропетровская область Верховцево Днепропетровская область Вижница Черновицкая область Вилково Одесская область Винники Львовская область Винница Винницкая область Виноградов Закарпатская область Вишнёвое Киевская область Владимир-Волынский Волынская область Вознесенск Николаевская область Волноваха Донецкая область Волочиск Хмельницкая область Волчанск Харьковская область Вольногорск Днепропетровская область Вольнянск Запорожская область Ворожба Сумская область Вышгород Киевская область Гадяч Полтавская область Гайворон Кировоградская область Гайсин Винницкая область Галич Ивано-Франковская область Геническ Херсонская область Герца Черновицкая область Гл@SŦU@SŦUĦUFæUSŦU`SŦU@`SŦUЛьвовская область Гнивань Винницкая область Голая Пристань Херсонская область Горишние Плавни Полтавская область Горловка Донецкая область Горное Луганская область Горняк Донецкая область Городенка Ивано-Франковская область Городище Черкасская область Городня Черниговская область Городок Львовская область Городок Хмельницкая область Горохов Волынская область Гребёнка Полтавская область Гуляйполе Запорожская область Дебальцево Донецкая область Деражня Хмельницкая область Дергачи Харьковская область Днепр Днепропетровская область Днепрорудное Запорожская область Добромиль Львовская область Доброполье Донецкая область Докучаевск Донецкая область Долина Ивано-Франковская область Долинская Кировоградская область Донецк Донецкая область Дрогобыч Львовская область Дружба Сумская область Дружковка Донецкая область Дубляны Львовская область Дубно Ровненская область Дубровица Ровненская область Дунаевцы Хмельницкая область Енакиево Донецкая область Жашков Черкасская область Ждановка Донецкая область Железное Донецкая область Жёлтые Воды Днепропетровская область Жидачов Львовская область Житомир Житомирская область Жмеринка Винницкая область Жолква Львовская область Заводское Полтавская область Залещики Тернопольская область Запорожье Запорожская область Заставна Черновицкая область Збараж Тернопольская область Зборов Тернопольская область Звенигородка Черкасская область Здолбунов Ровненская область Зеленодольск Днепропетровская область Зеньков Полтавская область Зимогорье Луганская область Змиёв Харьковская область Знаменка Кировоградская область Золотое Луганская область Золотоноша Черкасская область Золочев Львовская область Зоринск Луганская область Зугрэс Донецкая область Ивано-Франковск Ивано-Франковская область Измаил Одесская область Изюм Харьковская область Изяслав Хмельницкая область Иловайск Донецкая область Ильинцы Винницкая область Ирмино Луганская область Ирпень Киевская область Иршава Закарпатская область Ичня Черниговская область Кагарлык Киевская область Казатин Винницкая область Калиновка Винницкая область Калуш Ивано-Франковская область Каменец-Подольский Хмельницкая область Каменка Черкасская область Каменка-Бугская Львовская область Каменка-Днепровская Запорожская область Каменское Днепропетровская область Камень-Каширский Волынская область Канев Черкасская область Карловка Полтавская область Каховка Херсонская область Киверцы Волынская область Киев город со специальным статусом Киев Килия Одесская область Кировск (Голубовка) Луганская область Кировское Донецкая область Кицмань Черновицкая область Кобеляки Полтавская область Ковель Волынская область Кодыма Одесская область Коломыя Ивано-Франковская область Конотоп Сумская область Константиновка Донецкая область Корец Ровненская область Коростень Житомирская область Коростышев Житомирская область Корсунь-Шевченковский Черкасская область Корюковка Черниговская область Косов Ивано-Франковская область Костополь Ровненская область Краматорск Донецкая область Красилов Хмельницкая область Красноград Харьковская область Краснодон Луганская область Краснопартизанск Луганская область Красный Луч (Хрустальный) Луганская область Кременец Тернопольская область Кременчуг Полтавская область Кривой Рог Днепропетровская область Кролевец Сумская область Кропивницкий Кировоградская область Купянск Харьковская область Ладыжин Винницкая область Лановцы Тернопольская область Лебедин Сумская область Лиман Донецкая область Лисичанск Луганская область Лозовая Харьковская область Лохвица Полтавская область Лубны Полтавская область Луганск Луганская область Лутугино Луганская область Луцк Волынская область Львов Львовская область Любомль Волынская область Люботин Харьковская область Малин Житомирская область Марганец Днепропетровская область Мариуполь Донецкая область Макеевка Донецкая область Малая Виска Кировоградская область Мелитополь Запорожская область Мена Черниговская область Мерефа Харьковская область Миргород Полтавская область Мирноград (Димитров) Донецкая область Мироновка Киевская область Миусинск Луганская область Могилёв-Подольский Винницкая область Молодогвардейск Луганская область Молочанск Запорожская область Монастыриска Тернопольская область Монастырище Черкасская область Мостиска Львовская область Мукачево Закарпатская область Надворная Ивано-Франковская область Николаев Львовская область Николаев Николаевская область Никополь Днепропетровская область Нежин Черниговская область Немиров Винницкая область Нетешин Хмельницкая область Новая Каховка Херсонская область Новая Одесса Николаевская область Новый Буг Николаевская область Новоазовск Донецкая область Нововолынск Волынская область Новгород-Северский Черниговская область Новогродовка Донецкая область Новомиргород Кировоградская область Новоград-Волынский Житомирская область Новодружеск Луганская область Новоднестровск Черновицкая область Новомосковск Днепропетровская область Новопсков Луганская область Новоселица Черновицкая область Новоукраинка Кировоградская область Новый Роздол Львовская область Носовка Черниговская область Обухов Киевская область Овруч Житомирская область Одесса Одесская область Орехов Запорожская область Острог Ровненская область Очаков Николаевская область Павлоград Днепропетровская область Первомайск Луганская область Первомайск Николаевская область Первомайский Харьковская область Перевальск Луганская область Перемышляны Львовская область Перечин Закарпатская область Перещепино Днепропетровская область Переяслав-Хмельницкий Киевская область Першотравенск Днепропетровская область Петровское Луганская область Пирятин Полтавская область Погребище Винницкая область Подволочиск Тернопольская область Подгайцы Тернопольская область Подгородное Днепропетровская область Подольск Одесская область Покров Днепропетровская область Покровск Донецкая область Пологи Запорожская область Полонное Хмельницкая область Полтава Полтавская область Попасная Луганская область Почаев Тернопольская область Приволье Луганская область Прилуки Черниговская область Приморск Запорожская область Припять Киевская область Пустомыты Львовская область Путивль Сумская область Пятихатки Днепропетровская область Рава-Русская Львовская область Радехов Львовская область Радомышль Житомирская область Радивилов Ровненская область Раздельная Одесская область Рахов Закарпатская область Ржищев Киевская область Рогатин Ивано-Франковская область Ровеньки Луганская область Ровно Ровненская область Рожище Волынская область Ромны Сумская область Рубежное Луганская область Рудки Львовская область Самбор Львовская область Сарны Ровненская область Свалява Закарпатская область Сватово Луганская область Свердловск Луганская область Светловодск Кировоградская область Северодонецк Луганская область Седнев Черниговская область Селидово Донецкая область Семёновка Черниговская область Середина-Буда Сумская область Синельниково Днепропетровская область Скадовск Херсонская область Скалат Тернопольская область Сквира Киевская область Сколе Львовская область Славута Хмельницкая область Славутич Киевская область Славянск Донецкая область Смела Черкасская область Снежное Донецкая область Снигирёвка Николаевская область Сновск Черниговская область Снятын Ивано-Франковская область Сокаль Львовская область Сокиряны Черновицкая область Соледар Донецкая область Старобельск Луганская область Староконстантинов Хмельницкая область Старый Самбор Львовская область Стаханов (Кадиевка) Луганская область Сторожинец Черновицкая область Стрый Львовская область Сумы Сумская область Суходольск Луганская область Счастье Луганская область Таврийск Херсонская область Тальное Черкасская область Тараща Киевская область Татарбунары Одесская область Теплодар Одесская область Тернополь Тернопольская область Терновка Днепропетровская область Тетиев Киевская область Тысменица Ивано-Франковская область Тлумач Ивано-Франковская область Теребовля Тернопольская область Тростянец Сумская область Трускавец Львовская область Токмак Запорожская область Торез Донецкая область Торецк Донецкая область Тульчин Винницкая область Тячев Закарпатская область Угледар Донецкая область Угнев Львовская область Узин Киевская область Украинка Киевская область Ужгород Закарпатская область Умань Черкасская область Устилуг Волынская область Фастов Киевская область Харцызск Донецкая область Харьков Харьковская область Херсон Херсонская область Хмельник Винницкая область Хмельницкий Хмельницкая область Хорол Полтавская область Хотин Черновицкая область Христиновка Черкасская область Хуст Закарпатская область Хыров Львовская область Червоноград Львовская область Червонопартизанск (Вознесеновка) Луганская область Черноморск Одесская обла@SŦU@SŦUĦUFæUSŦU`SŦU@`SŦUласть Чернобыль Киевская область Черновцы Черновицкая область Чигирин Черкасская область Чоп Закарпатская область Чортков Тернопольская область Чугуев Харьковская область Шаргород Винницкая область Шахтёрск Донецкая область Шепетовка Хмельницкая область Шостка Сумская область Шпола Черкасская область Шумск Тернопольская область Энергодар Запорожская область Южное Одесская область Южноукраинск Николаевская область Яворов Львовская область Яготин Киевская область Ямполь Винницкая область Яремче Ивано-Франковская область Ясиноватая Донецкая область. Завжди в наявності і за прямими поставками з заводів: Запчастини КАМАЗ, МАЗ, УРАЛ, КРАЗ, легкові ВАЗ, УАЗ, ГАЗ та ін. Тракторні запчастини МТЗ, ЧЕТРА, АМЗ, ХТЗ і для спецтехніки. Трактори МТЗ, комунальна техніка і навісне обладнання. Агрегати й двигуни ЯМЗ, ММЗ, ТМЗ, КАМАЗ, ЗМЗ, УМЗ, ВАЗ. Запчастини для іномарок: KIA, DAEWOO, CHEVROLET, MAZDA, і ін. Витратні матеріали для спеціальної техніки JCB, Caterpillar, Bobcat. Запасні частини для вантажівок Man, Scania, Mercedes, Iveco, Volvo, DAF. Автоаксесуари, інструмент, акумулятори, шини, диски, автохімія. АвтоРем. Оптові склади автозапчастин в Тернополі та області. Доставка в будь-яке місто України і оптові склади в області. Гнучка система знижок для оптових покупців. Відстрочки платежу для постійних клієнтів. Участь в тендерах і відвантаження на експорт.Авдіївка Донецька область Олександрія Кіровоградська область Олександрівськ Луганська область Олешки Херсонська область Алмазна Луганська область Алчевськ Луганська область Амвросіївка Донецька область Ананьїв Одеська область Андрушівка Житомирська область Антрацит Луганська область Апостолове Дніпропетровська область Артемівськ (кипучої) Луганська область Арциз Одеська область Охтирка Сумська область Балаклія Харківська область Балта Одеська область Бар Вінницька область Баранівка Житомирська область Барвінкове Харківська область Батурин Чернігівська область Бахмач Чернігівська область Бахмут Донецька область Баштанка Миколаївська область Біла Церква Київська область Білгород-Дністровський Одеська область Белз Львівська область Білицьке Донецька область Білозерське Донецька область Білопілля Сумська область Біляївка Одеська область Бердичів Житомирська область Бердянськ Запорізька область Берегово Закарпатська область Бережани Тернопільська область Березань Київська область Бере зно Рівненська область Березівка ​​Одеська область Берестечко Волинська область Берислав Херсонська область Бершадь Вінницька область Бобринець Кіровоградська область Бібрка Львівська область Бобровиця Чернігівська область Богодухів Харківська область Богуслав Київська область Болград Одеська область Болехів Івано-Франківська область Борзна Чернігівська область Борислав Львівська область Бориспіль Київська область Борщів Тернопільська область Боярка Київська область Бровари Київська область Броди Львівська область Брянка Луганська область Бурштин Івано-Франківська область Буринь Сумська область Буськ Львівська область Буча Київська область Бучач Тернопільська область Валки Харківська область Вараш (Кузнецовськ) Рівненська область Василівка Запорізька область Васильків Київська область Ватутіне Черкаська область Вахрушеве Луганська область Вашківці Чернівецька область Великі Мости Львівська область Верхньодніпровськ Дніпропетровська область Верхівцеве Дніпропетровська область Вижниця Чернівецька область Вилкове Одеська область Винники Львівська область Вінниця Вінницька область Виноградів Закарпатська область Вишневе Київська область Володимир-Волинський Волинська область Вознесенськ Миколаївська область Волноваха Донецька область Волочиськ Хмельницька область Вовчанськ Харківська область Вільногірськ Дніпропетровська область Вільнянськ Запорізька область Ворожба Сумська область Вишгород Київська область Гадяч Полтавська область Гайворон Кіровоградська область Гайсин Вінницька область Галич Івано-Франківська область Генічеськ Херсонська область Герца Чернівецька область Глобине Полтавська область Глухів Сумська область Глиняни Львівська область Гнівань Вінницька область Гола Пристань Херсонська область Горішні Плавні Полтавська область Горлівка Донецька область Гірське Луганська область Гірник Донецька область Городенка Івано-Франківська область Городище Черкаська область Городня Чернігівська область Городок Львівська область Городок Хмельницька область Горохів Воли ська область Гребінка Полтавська область Гуляйполе Запорізька область Дебальцеве Донецька область Деражня Хмельницька область Дергачі Харківська область Дніпро Дніпропетровська область Дніпрорудне Запорізька область Добромиль Львівська область Добропілля Донецька область Докучаєвськ Донецька область Долина Івано-Франківська область Долинська Кіровоградська область Донецьк Донецька область Дрогобич Львівська область Дружба Сумська область Дружківка Донецька область Дубляни Львівська область Дубно Рівненська область Дубровиця Рівненська область Дунаївці Хмельницька область Єнакієве Донецька область Жашків Черкаська область Жданівка Донецька область Залізне Донецька область Жовті Води Дніпропетровська область Жидачів Львівська область Житомир Житомирська область Жмеринка Вінницька область Жовква Львівська область Заводське Полтавська область Заліщики Тернопільська область Запоріжжя Запорізька область Заставна Чернівецька область Збараж Тернопільська область Зборів Тернопільська облас ть Звенигородка Черкаська область Здолбунів Рівненська область Зеленодольськ Дніпропетровська область Зіньків Полтавська область Зимогір'я Луганська область Зміїв Харківська область Знам'янка Кіровоградська область Золоте Луганська область Золотоноша Черкаська область Золочів Львівська область Зоринськ Луганська область Зугрес Донецька область Івано-Франківськ Івано-Франківська область Ізмаїл Одеська область Ізюм Харківська область Ізяслав Хмельницька область Іловайськ Донецька область Іллінці Вінницька область Ірміно Луганська область Ірпінь Київська область Іршава Закарпатська область Ічня Чернігівська область Кагарлик Київська область Козятин Вінницька область Калинівка Вінницька область Калуш Івано-Франківська область Кам'янець-Подільський Хмельницька область Кам'янка Черкаська область Кам'янка-Бузька Львівська область Каменка- Дніпровська Запорізька область Кам'янське Дніпропетровська область Камінь-Каширський Волинська область Канів Черкаська область Карлівка Полтавська область Каховка Херсонська область Ківерці Волинська область Київ місто зі спеціальним статусом Київ Кілія Одеська область Кіровськ (Голубівка) Луганська область Кіровське Донецька область Кіцмань Чернівецька область Кобеляки Полтавська область Ковель Волинська область Кодима Одеська область Коломия Івано-Франківська область Конотоп Сумська область Костянтинівка Донецька область Корець Рівненська область Коростень Житомирська область Коростишів Житомирська область Корсунь-Шевченківський Черкаська область Корюківка Чернігівська область Косів Івано-Франківська область Костопіль Рівненська область Краматорськ Донецька область Красилів Хмельницька область Красноград Харківська область Краснодон Луганська область Червонопартизанськ Луганська область Красний Луч (Кришталевий) Луганська область Кременець Тернопільська область Кременчук Полтавська область Кривий Ріг Дніпропетровська область Кролевець Сумська область Кропивницький Кіровоградська область Куп'янськ Харківська область Ладижин Вінницька область Лан вівці Тернопільська область Лебедин Сумська область Лиман Донецька область Лисичанськ Луганська область Лозова Харківська область Лохвиця Полтавська область Лубни Полтавська область Луганськ Луганська область Лутугине Луганська область Луцьк Волинська область Львів Львівська область Любомль Волинська область Люботин Харківська область Малин Житомирська область Марганець Дніпропетровська область Маріуполь Донецька область Макіївка Донецька область Мала Виска Кіровоградська область Мелітополь Запорізька область Мена Чернігівська область Мерефа Харківська область Миргород Полтавська область Мірноград (Димитров) Донецька область Миронівка Київська область Міусинськ Луганська область Могилів-Подільський Вінницька область Молодогвардійськ Луганська область Молочанськ Запорізька область Монастириська Тернопільська область Монастирище Черкаська область Мостиська Львівська область Мукачево Закарпатська область Надвірна Івано-Франківська область Миколаїв Львівська область Миколаїв Миколаївська обл асть Нікополь Дніпропетровська область Ніжин Чернігівська область Немирів Вінницька область Нетішин Хмельницька область Нова Каховка Херсонська область Нова Одеса Миколаївська область Новий Буг Миколаївська область Новоазовськ Донецька область Нововолинськ Волинська область Новгород-Сіверський Чернігівська область Новогродівка Донецька область Новомиргород Кіровоградська область Новоград-Волинський Житомирська область Новодружеськ Луганська область Новодністровськ Чернівецька область Новомосковськ Дніпропетровська область Новопсков Луганська область Новоселиця Чернівецька область Новоукраїнка Кіровоградська область Новий Розділ Львівська область Носівка Чернігівська область Обухів Київська область Овруч Житомирська область Одеса Одеська область Орєхов Запорізька область Острог Рівненська область Очаків Миколаївська область Павлоград Дніпропетровська область Первомайськ Луганська область Первомайськ Миколаївська область Первомайський Харківська область Перевальськ Луганська область Перемишлі яни Львівська область Перечин Закарпатська область Перещепине Дніпропетровська область Переяслав-Хмельницький Київська область Першотравенськ Дніпропетровська область Петровське Луганська область Пирятин Полтавська область Погребище Вінницька область Підволочиськ Тернопільська область Підгайці Тернопільська область Підгородне Дніпропетровська область Подольск Одеська область Покров Дніпропетровська область Покровський Донецька область Пологи Запорізька область Полонне Хмельницька область Полтава Полтавська область Попасна Луганська область Почаїв Тернопільська область Привілля Луганська область Прилуки Чернігівська область Приморськ Запорізька область Прип'ять Київська область Пустомити Львівська область Путивль Сумська область П'ятихатки Дніпропетровська область Рава-Руська Львівська область Радехів Львівська область Радомишль Житомирська область Радивилів Рівненська область Роздільна Одеська область Рахів Закарпатська область Ржищів Київська область Рогатин Івано-Франківська область Ровеньки Луганська область Рівне Рівненська область Рожище Волинська область Ромни Сумська область Рубіжне Луганська область Рудки Львівська область Самбір Львівська область Сарни Рівненська область Свалява Закарпатська область Сватове Луганська область Свердловськ Луганська область Світловодськ Кіровоградська область Сєвєродонецьк Луганська область Седнєв Чернігівська область Селидове Донецька область Семенівка Чернігівська область Середина- Буда Сумська область Синельникове Дніпропетровська область Скадовськ Херсонська область Скалат Тернопільська область Сквира Київська область Сколе Львівська область Славута Хмельницька область Славутич Київська область Слов'янськ Донецька область Сміла Черкаська область Сніжне Донецька область Снігурівка Миколаївська область Сновськ Чернігівська область Снятин Івано-Франківська область Сокаль Львівська область Сокиряни Чернівецька область Соледар Донецька область Старобільськ Луганська область Старокостянтинів Хмельницька область Старий Самбір Львовская область Стаханов (Кадиївка) Луганська область Сторожинець Чернівецька область Стрий Львівська область Суми Сумська область Суходільськ Луганська область Щастя Луганська область Таврійськ Херсонська область Тальне Черкаська область Тараща Київська область Татарбунари Одеська область Теплодар Одеська область Тернопіль Тернопільська область Тернівка Дніпропетровська область Тетіїв Київська область Тисмениця Івано Франківська область Тлумач Івано-Франківська область Теребовля Тернопільська область Тростянець Сумська область Трускавець Львівська область Токмак Запорізька область Торез Донецька область Торецькому Донецька область Тульчин Вінницька область Тячів Закарпатська область Вугледар Донецька область Угнів Львівська область Узин Київська область Українка Київська область Ужгород Закарпатська область Умань Черкаська область Устилуг Волинська область Фастів Київська область Харцизьк Донецька область Харків Харківська область Херсон Херсонська область Хмільник Вінницька область Хмельни цький Хмельницька область Хорол Полтавська область Хотин Чернівецька область Христинівка Черкаська область Хуст Закарпатська область Хирів Львівська область Червоноград Львівська область Червонопартизанськ (Вознесеновка) Луганська область Чорноморськ Одеська область Черкаси Черкаська область Чернігів Чернігівська область Чорнобиль Київська область Чернівці Чернівецька область Чигирин Черкаська область Чоп Закарпатська область Чортків Тернопільська область Чугуїв Харківська область Шаргород Вінницька область Шахтарськ Донецька область Шепетівка Хмельницька область Шостка Сумська область Шпола Черкаська область Шумськ Тернопільська область Енергодар Запорізька область Південне Одеська область Южноукраїнськ Миколаївська область Яворів Львівська область Яготин Київська область Ямпіль Вінницька область Яремче Івано-Франківська область Ясинувата Донецька область
від1.77₴
Состояние:
Новый, Б/у, R, Б/в
  • Наличие: В наличии
  • Модель: Діодний міст генератора БВ21-150-14В
  • SKU: Діодний міст генератора БВ21-150-14В
  • EAN: Діодний міст г
  • MPN: Діодний міст генератора БВ21-150-14В
Авдеевка Донецкая область Александрия Кировоградская область Александровск Луганская область Алёшки Херсонская область Алмазная Луганская область Алчевск Луганская область Амвросиевка Донецкая область Ананьев Одесская область Андрушёвка Житомирская область Антрацит Луганская область Апостолово Днепропетровская область Артёмовск (Кипучее) Луганская область Арциз Одесская область Ахтырка Сумская область Балаклея Харьковская область Балта Одесская область Бар Винницкая область Барановка Житомирская область Барвенково Харьковская область Батурин Черниговская область Бахмач Черниговская область Бахмут Донецкая область Баштанка Николаевская область Белая Церковь Киевская область Белгород-Днестровский Одесская область Белз Львовская область Белицкое Донецкая область Белозёрское Донецкая область Белополье Сумская область Беляевка Одесская область Бердичев Житомирская область Бердянск Запорожская область Берегово Закарпатская область Бережаны Тернопольская область Березань Киевская область Березно Ровненская область Березо́вка Одесская область Берестечко Волынская область Берислав Херсонская область Бершадь Винницкая область Бобринец Кировоградская область Бобрка Львовская область Бобровица Черниговская область Богодухов Харьковская область Богуслав Киевская область Болград Одесская область Болехов Ивано-Франковская область Борзна Черниговская область Борислав Львовская область Борисполь Киевская область Борщёв Тернопольская область Боярка Киевская область Бровары Киевская область Броды Львовская область Брянка Луганская область Бурштын Ивано-Франковская область Бурынь Сумская область Буск Львовская область Буча Киевская область Бучач Тернопольская область Валки Харьковская область Вараш (Кузнецовск) Ровненская область Васильевка Запорожская область Васильков Киевская область Ватутино Черкасская область Вахрушево Луганская область Вашковцы Черновицкая область Великие Мосты Львовская область Верхнеднепровск Днепропетровская область Верховцево Днепропетровская область Вижница Черновицкая область Вилково Одесская область Винники Львовская область Винница Винницкая область Виноградов Закарпатская область Вишнёвое Киевская область Владимир-Волынский Волынская область Вознесенск Николаевская область Волноваха Донецкая область Волочиск Хмельницкая область Волчанск Харьковская область Вольногорск Днепропетровская область Вольнянск Запорожская область Ворожба Сумская область Вышгород Киевская область Гадяч Полтавская область Гайворон Кировоградская область Гайсин Винницкая область Галич Ивано-Франковская область Геническ Херсонская область Герца Черновицкая область Глобино Полтавская область Глухов Сумская область Глиняны Львовская область Гнивань Винницкая область Голая Пристань Херсонская область Горишние Плавни Полтавская область Горловка Донецкая область Горное Луганская область Горняк Донецкая область Городенка Ивано-Франковская область Городище Черкасская область Городня Черниговская область Городок Львовская область Городок Хмельницкая область Горохов Волынская область Гребёнка Полтавская область Гуляйполе Запорожская область Дебальцево Донецкая область Деражня Хмельницкая область Дергачи Харьковская область Днепр Днепропетровская область Днепрорудное Запорожская область Добромиль Львовская область Доброполье Донецкая область Докучаевск Донецкая область Долина Ивано-Франковская область Долинская Кировоградская область Донецк Донецкая область Дрогобыч Львовская область Дружба Сумская область Дружковка Донецкая область Дубляны Львовская область Дубно Ровненская область Дубровица Ровненская область Дунаевцы Хмельницкая область Енакиево Донецкая область Жашков Черкасская область Ждановка Донецкая область Железное Донецкая область Жёлтые Воды Днепропетровская область Жидачов Львовская область Житомир Житомирская область Жмеринка Винницкая область Жолква Львовская область Заводское Полтавская область Залещики Тернопольская область Запорожье Запорожская область Заставна Черновицкая область Збараж Тернопольская область Зборов Тернопольская область Звенигородка Черкасская область Здолбунов Ровненская область Зеленодольск Днепропетровская область Зеньков Полтавская область Зимогорье Луганская область Змиёв Харьковская область Знаменка Кировоградская область Золотое Луганская область Золотоноша Черкасская область Золочев Львовская область Зоринск Луганская область Зугрэс Донецкая область Ивано-Франковск Ивано-Франковская область Измаил Одесская область Изюм Харьковская область Изяслав Хмельницкая область Иловайск Донецкая область Ильинцы Винницкая область Ирмино Луганская область Ирпень Киевская область Иршава Закарпатская область Ичня Черниговская область Кагарлык Киевская область Казатин Винницкая область Калиновка Винницкая область Калуш Ивано-Франковская область Каменец-Подольский Хмельницкая область Каменка Черкасская область Каменка-Бугская Львовская область Каменка-Днепровская Запорожская область Каменское Днепропетровская область Камень-Каширский Волынская область Канев Черкасская область Карловка Полтавская область Каховка Херсонская область Киверцы Волынская область Киев город со специальным статусом Киев Килия Одесская область Кировск (Голубовка) Луганская область Кировское Донецкая область Кицмань Черновицкая область Кобеляки Полтавская область Ковель Волынская область Кодыма Одесская область Коломыя Ивано-Франковская область Конотоп Сумская область Константиновка Донецкая область Корец Ровненская область Коростень Житомирская область Коростышев Житомирская область Корсунь-Шевченковский Черкасская область Корюковка Черниговская область Косов Ивано-Франковская область Костополь Ровненская область Краматорск Донецкая область Красилов Хмельницкая область Красноград Харьковская область Краснодон Луганская область Краснопартизанск Луганская область Красный Луч (Хрустальный) Луганская область Кременец Тернопольская область Кременчуг Полтавская область Кривой Рог Днепропетровская область Кролевец Сумская область Кропивницкий Кировоградская область Купянск Харьковская область Ладыжин Винницкая область Лановцы Тернопольская область Лебедин Сумская область Лиман Донецкая область Лисичанск Луганская область Лозовая Харьковская область Лохвица Полтавская область Лубны Полтавская область Луганск Луганская область Лутугино Луганская область Луцк Волынская область Львов Львовская область Любомль Волынская область Люботин Харьковская область Малин Житомирская область Марганец Днепропетровская область Мариуполь Донецкая область Макеевка Донецкая область Малая Виска Кировоградская область Мелитополь Запорожская область Мена Черниговская область Мерефа Харьковская область Миргород Полтавская область Мирноград (Димитров) Донецкая область Мироновка Киевская область Миусинск Луганская область Могилёв-Подольский Винницкая область Молодогвардейск Луганская область Молочанск Запорожская область Монастыриска Тернопольская область Монастырище Черкасская область Мостиска Львовская область Мукачево Закарпатская область Надворная Ивано-Франковская область Николаев Львовская область Николаев Николаевская область Никополь Днепропетровская область Нежин Черниговская область Немиров Винницкая область Нетешин Хмельницкая область Новая Каховка Херсонская область Новая Одесса Николаевская область Новый Буг Николаевская область Новоазовск Донецкая область Нововолынск Волынская область Новгород-Северский Черниговская область Новогродовка Донецкая область Новомиргород Кировоградская область Новоград-Волынский Житомирская область Новодружеск Луганская область Новоднестровск Черновицкая область Новомосковск Днепропетровская область Новопсков Луганская область Новоселица Черновицкая область Новоукраинка Кировоградская область Новый Роздол Львовская область Носовка Черниговская область Обухов Киевская область Овруч Житомирская область Одесса Одесская область Орехов Запорожская область Острог Ровненская область Очаков Николаевская область Павлоград Днепропетровская область Первомайск Луганская область Первомайск Николаевская область Первомайский Харьковская область Перевальск Луганская область Перемышляны Львовская область Перечин Закарпатская область Перещепино Днепропетровская область Переяслав-Хмельницкий Киевская область Першотравенск Днепропетровская область Петровское Луганская область Пирятин Полтавская область Погребище Винницкая область Подволочиск Тернопольская область Подгайцы Тернопольская область Подгородное Днепропетровская область Подольск Одесская область Покров Днепропетровская область Покровск Донецкая область Пологи Запорожская область Полонное Хмельницкая область Полтава Полтавская область Попасная Луганская область Почаев Тернопольская область Приволье Луганская область Прилуки Черниговская область Приморск Запорожская область Припять Киевская область Пустомыты Львовская область Путивль Сумская область Пятихатки Днепропетровская область Рава-Русская Львовская область Радехов Львовская область Радомышль Житомирская область Радивилов Ровненская область Раздельная Одесская область Рахов Закарпатская область Ржищев Киевская область Рогатин Ивано-Франковская область Ровеньки Луганская область Ровно Ровненская область Рожище Волынская область Ромны Сумская область Рубежное Луганская область Рудки Львовская область Самбор Львовская область Сарны Ровненская область Свалява Закарпатская область Сватово Луганская область Свердловск Луганская область Светловодск Кировоградская область Северодонецк Луганская область Седнев Черниговская область Селидово Донецкая область Семёновка Черниговская область Середина-Буда Сумская область Синельниково Днепропетровская область Скадовск Херсонская область Скалат Тернопольская область Сквира Киевская область Сколе Львовская область Славута Хмельницкая область Славутич Киевская область Славянск Донецкая область Смела Черкасская область Снежное Донецкая область Снигирёвка Николаевская область Сновск Черниговская область Снятын Ивано-Франковская область Сокаль Львовская область Сокиряны Черновицкая область Соледар Донецкая область Старобельск Луганская область Староконстантинов Хмельницкая область Старый Самбор Львовская область Стаханов (Кадиевка) Луганская область Сторожинец Черновицкая область Стрый Львовская область Сумы Сумская область Суходольск Луганская область Счастье Луганская область Таврийск Херсонская область Тальное Черкасская область Тараща Киевская область Татарбунары Одесская область Теплодар Одесская область Тернополь Тернопольская область Терновка Днепропетровская область Тетиев Киевская область Тысменица Ивано-Франковская область Тлумач Ивано-Франковская область Теребовля Тернопольская область Тростянец Сумская область Трускавец Львовская область Токмак Запорожская область Торез Донецкая область Торецк Донецкая область Тульчин Винницкая область Тячев Закарпатская область Угледар Донецкая область Угнев Львовская область Узин Киевская область Украинка Киевская область Ужгород Закарпатская область Умань Черкасская область Устилуг Волынская область Фастов Киевская область Харцызск Донецкая область Харьков Харьковская область Херсон Херсонская область Хмельник Винницкая область Хмельницкий Хмельницкая область Хорол Полтавская область Хотин Черновицкая область Христиновка Черкасская область Хуст Закарпатская область Хыров Львовская область Червоноград Львовская область Червонопартизанск (Вознесеновка) Луганская область Черноморск Одесская область Черкассы Черкасская область Чернигов Черниговская область Чернобыль Киевская область Черновцы Черновицкая область Чигирин Черкасская область Чоп Закарпатская область Чортков Тернопольская область Чугуев Харьковская область Шаргород Винницкая область Шахтёрск Донецкая область Шепетовка Хмельницкая область Шостка Сумская область Шпола Черкасская область Шумск Тернопольская область Энергодар Запорожская область Южное Одесская область Южноукраинск Николаевская область Яворов Львовская область Яготин Киевская область Ямполь Винницкая область Яремче Ивано-Франковская область Ясиноватая Донецкая область
На ДАНИЙ МОМЕНТ і.м. працює в режимі онлайн КАТАЛОГА!